山東抖音91玻璃(lí)鋼有(yǒu)限公司-玻璃鋼儲罐/容器/塔器/反應釜/管道/冷卻塔生產廠家
15065685222 / 13853680955
0536-4390222
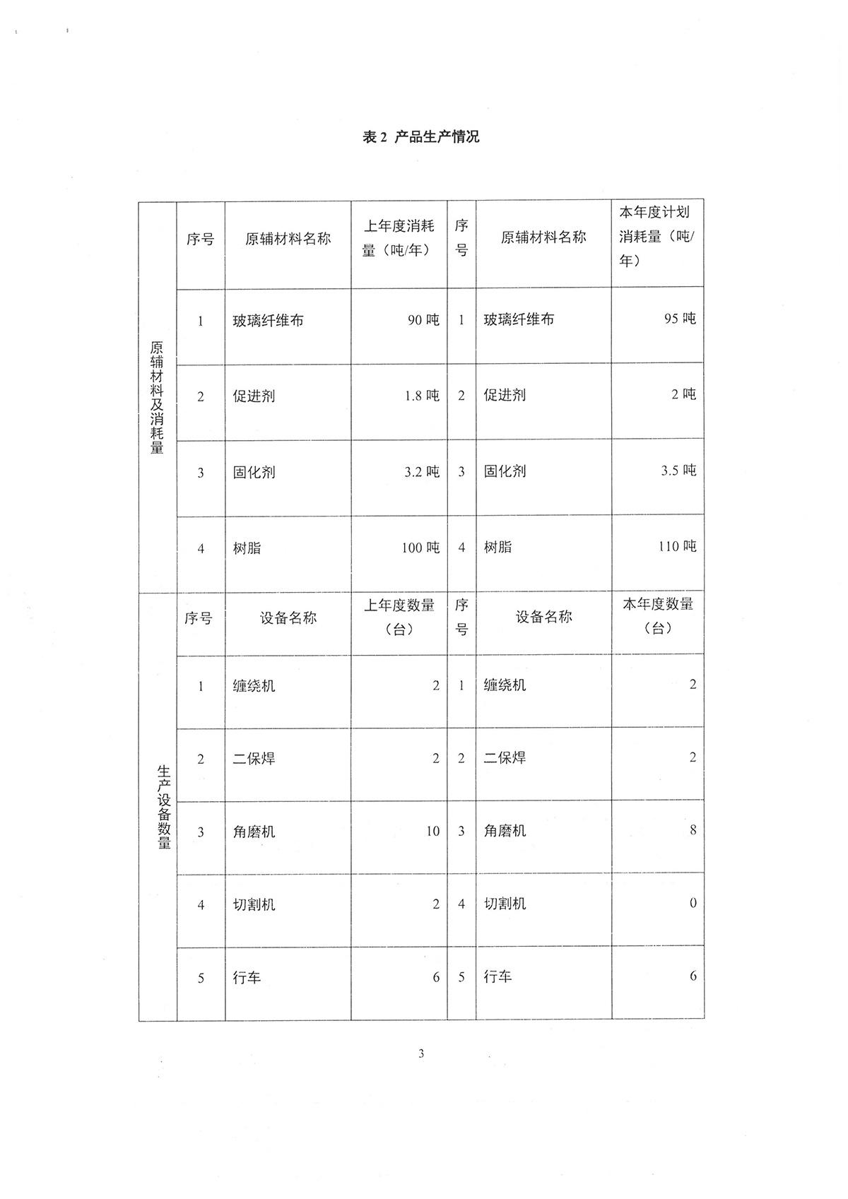
抖音91玻璃鋼2021年度危(wēi)險廢物管理計劃及備(bèi)案登記公(gōng)示
發布者:抖音91(yáng)玻璃鋼發布時間:2022-7-25關鍵詞:中暑急救,防暑知識(shí)

 抖音91玻璃鋼2021年度危險廢物管理計(jì)劃及備案登記公示(shì)


© 山東抖音91(yáng)玻璃鋼有限公司(sī) 魯ICP備2022021619號-1 魯公網安備 37072502000176號 Kaiwind製作(zuò)
在線客服

服務熱(rè)線
150-6568-5222
138-5368-0955
抖音91|91馃敒|www.91av|91香蕉视频|91抖音版入口